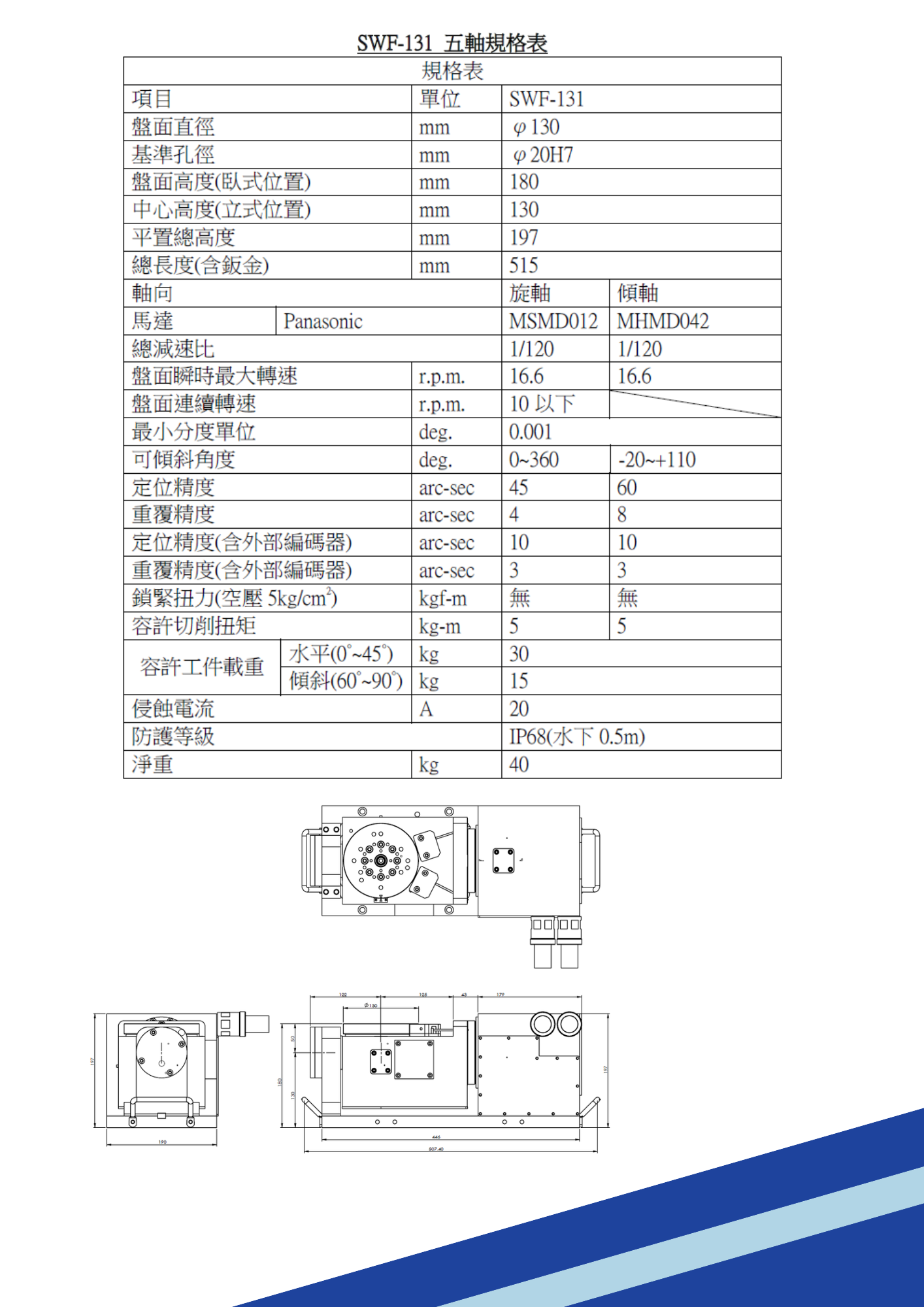
SWF-131 five axis
Model ID:SWF-131This device supports a 5th axis and features a waterproof, submersible design compatible with various wire EDM machines. The 5th axis allows greater flexibility in workpiece positioning and angular control, making it ideal for complex shapes and multi-surface machining. The waterproof and submersible construction enhances cooling efficiency and cutting stability, especially suited for high-precision and specialized workpieces.


